Rigol Technologies annonce une solution de test dédiée aux applications IoT (Internet of Things). Le logiciel de test S1220, associé à l’analyseur de spectre DSA800, permet aux ingénieurs de traiter les signaux modulés ASK et FSK exploités par leurs conceptions électroniques.
Les modulations numériques ASK (Amplitude Shift Keying) et FSK (Frequency Shift Keying) sont couramment utilisées dans le cadre des applications sans fil et IoT.
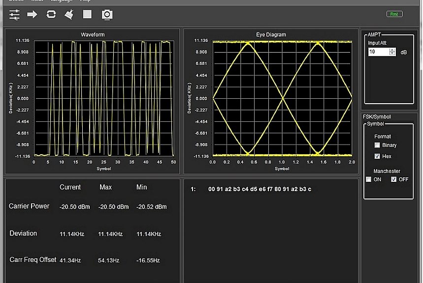
Lorsqu’il est employé avec l’analyseur de spectre DSA832E de Rigol, le logiciel d’analyse de démodulation SA1220 fournit aux ingénieurs un ensemble d’outils pour étudier, visualiser et analyser des signaux ASK et FSK.
Le logiciel d’analyse et de démodulation S1220 permet de:
- Afficher la forme d’onde, le diagramme de l’oeil, le symbole et les résultats de la démodulation depuis une seule interface
- Decoder les signaux RF ASK et FSK en temps réel
- Identifier le timing, la modulation, les données et les erreurs de puissance
- Analyser les profils de bruit
- Visualiser les données de la bande de base
Le logiciel d’analyse et de démodulation S1220 est commercialisé 369 €.




