- Andrea Vinci, Responsable Marketing Technique, chez Tektronix explique pourquoi l’oscilloscope DPO Série 7 répond aux exigences des applications telles que la physique des hautes énergies, l’analyse de l’intégrité du signal, la conformité et le débogage de bus série haut débit, ainsi que les applications RF multicanal.
- L’oscilloscope DPO Série 7 de Tektronix , qui couvre une bande passante maximale de 25 Ghz, numérise les signaux à une cadence pouvant atteindre jusqu’à 125 Géch/s par canal.
- Ses principaux atouts : linéarité et faible plancher de bruit du frontal d’acquisition, offrant un nombre effectif de bits (ENOB) de 7,5 bits à 8 GHz et 6,5 bits à 25 Ghz.
- Cet oscilloscope est également pourvu de nouveaux outils d’analyse de mesure de la gigue, du bruit et des liaisons de données série, ainsi que de capacité à prendre en charge des analyses de signaux dans le domaine RF.
Les ingénieurs de conception de systèmes de transmission de données série savent pertinemment que lorsque les débits de données dépassent 10 à 16 Gbit/s, la qualité et la fidélité de l’équipement de mesure sont des facteurs déterminants afin de diagnostiquer et caractériser avec précision les problématiques liées à l’intégrité du signal. En effet, devoir faire des compromis sur le choix de l’oscilloscope et, de ce fait, passer à côté de potentiels problèmes peut avoir de graves conséquences comme notamment effectuer des mesures avec une trop importante incertitude. Ce qui peut conduire à surdimensionner inutilement le produit en cours de conception.
Lors des processus de débogage des systèmes d’interconnexion, de caractérisation des canaux de transmissions à haut débit ou de validation de la conformité aux normes de bus série (PCIe, USB, etc.), l’oscilloscope est parfois considéré comme un simple observateur, alors qu’en réalité, il fait partie intégrante du système de mesure et constitue une extension de la perception du concepteur. Tout composant du circuit influe sur ce que vous observez avec ses propres imperfections et limites (que nous appellerons « caractéristiques »). Il en va de même pour l’oscilloscope. Les oscilloscopes et les sondes, qui chargent le circuit, agissent comme des lentilles de distorsion sur les signaux. Plus la lentille déforme, plus le concepteur est trompé par ce qu’il voit.
Précision au service de la polyvalence
Tektronix a travaillé avec une équipe d’ingénieurs disposant de plusieurs décennies d’expertise en électronique analogique pour concevoir une architecture de cheminement du signal de qualité, en accordant une attention particulière au bruit, à la distorsion et à la linéarité. Résultat : le nouvel oscilloscope DPO Série 7. Cet instrument a été spécialement conçu pour améliorer la fidélité du signal, en offrant un grand nombre effectif de bits (ENOB) sur une bande passante comprise entre 8 GHz et 25 Ghz. De par sa réponse en fréquence uniforme et plusieurs éléments de conception brevetés concernant le cheminement du signal, il convient à l’analyse de l’intégrité du signal, la capture d’événements monocoups et l’analyse multicanal de signaux RF.

Le nouvel oscilloscope DPO Série 7, qui présente un frontal à très faible bruit, vous permet de visualiser votre signal tel qu’il est réellement. Du frontal analogique jusqu’à l’étage de conversion analogique-numérique, d’importants efforts de développement ont été déployés pour minimiser la dégradation du signal tout au long du trajet, minimisant ainsi les impacts du bruit, source de distorsion de l’acquisition des formes d’onde. Un convertisseur analogique/numérique de 10 bits de résolution est associé à un étage d’échantillonnage à 125 Géch./s pour chacune des quatre voies d’entrée. Un bruit très faible aléatoire et une faible gigue intrinsèque complètent ces caractéristiques.
Les ingénieurs soucieux de l’intégrité du signal ont de très strictes exigences qui ne sont pas toutes affectées par l’architecture matérielle. Ils traitent souvent des données de bus série dont l’horloge est intégrée (par exemple, NRZ ou PAM4). Ce qui nécessite la récupération et la désintégration d’horloges logicielles ou matérielles pour les équipements, les sondes et les connecteurs afin de compenser les pertes liées à la transmission du signal. Lors de la validation d’une liaison PCIe ou d’une interface SERDES, ces ingénieurs ont besoin d’outils appropriés pour réaliser une analyse de la gigue et récupérer toutes les caractéristiques du signal.
La précision est fondamentale, mais un logiciel applicatif et une interface utilisateur intuitifs sont tout aussi importants pour garantir la fiabilité des données fournies par l’appareil de mesure. C’est pourquoi plusieurs outils d’analyse et de décomposition de la gigue, principalement utilisés pour l’intégrité du signal et la modélisation des canaux, ont été repensés et optimisés pour répondre aux besoins exprimés par les ingénieurs les plus exigeants en quête de solutions en matière d’architectures de réseaux série.

L’intégration et la désintégration de composants dans la chaîne de cheminement des signaux nécessitent un logiciel d’application permettant d’insérer ou de supprimer intuitivement un canal connu ou simulé (interconnexion, câble, connecteur, via, etc.) au sein d’un modèle système afin de prédire le comportement d’un composant en conditions réelles. L’oscilloscope DPO Série 7 commence par acquérir les signaux étudiés, puis des outils logiciels permettent d’inclure les paramètres S dans un flux de travail défini par l’utilisateur, intégrant ainsi des modèles de composants sur le chemin de transmission du signal. Il permet de placer des points de test là où des sondes virtuelles peuvent être utilisées et là où des mesures en conditions réelles peuvent être réalisées. Ceci est essentiel à la réussite des tests de conformité concernant de nombreuses technologies de bus série à haut débit. Le nouvel oscilloscope DPO Série 7 intègre également la nouvelle technologie QuietChannel™, qui applique une égalisation active pour compenser la perte de signal à haut débit, réduisant ainsi le bruit tout en augmentant la fidélité des mesures et le nombre effectif de bits (ENOB), même pour les signaux de faible amplitude.
Capturer les signaux physiques invisibles
L’analyse de l’intégrité du signal n’est pas le seul contexte pour lequel le plancher de bruit des oscilloscopes, la plage dynamique et l’ENOB sont essentiels. Dans les domaines de la recherche en physique avancée, des détecteurs de particules à haute énergie jusqu’à l’instrumentation quantique, en passant par le diagnostic plasma et les lasers ultrarapides, des impulsions extrêmement rapides monocoups ou répétitives sont souvent mises en jeu avec une plage dynamique élevée. Pour capturer avec précision de tels signaux, il ne suffit pas seulement de prendre en compte la bande passante ou la fréquence d’échantillonnage. Le véritable défi réside dans la quantité d’informations exploitables qu’il est possible de préserver dans le domaine numérique, notamment concernant la résolution verticale. Le nouvel oscilloscopes DPO Série 7 permet de capturer les transitions de signaux inférieures à la nanoseconde lors d’événements monocoup.
Cependant, les laboratoires de recherche en physique privilégient encore l’utilisation d’un oscilloscope pour capturer et numériser les signaux, tout en traitant les données avec un équipement externe. L’oscilloscope DPO série 7 est justement conçu pour le transfert ultra-rapide de données via son port SFP+ 10GbE et par sa prise en charge du protocole gRPC via TekHSI™ (High Speed Interface), un framework RPC (Remote Procedure Call) universel, open source et hautes performances.

Un instrument taillé pour la validation des systèmes de transmission sans fil
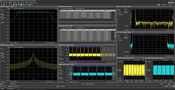
Dans les scénarios de test nécessitant l’analyse de complexes systèmes radiofréquence (RF) dans plusieurs domaines (temps, fréquence, modulation et parfois même protocoles ou domaine spatial) via plusieurs voies synchronisées, l’oscilloscope est devenu la solution la plus appropriée. Les applications mettant par exemple en œuvre des systèmes MIMO (entrées et sorties multiples), des dispositifs de formation de faisceaux et des radars multiéléments nécessitent des capacités d’analyse RF multi-canal, capturant et analysant ainsi simultanément les signaux de plusieurs voies RF.
Pour corréler le comportement des signaux, une haute résolution verticale, un faible plancher de bruit et une synchronisation temporelle précise entre les voies sont des exigences matérielles essentielles. L’oscilloscope numérique de la série 7 de Tektronix répond à l’ensemble de ces exigences et offre une véritable capacité d’analyse multidomaine dans une interface unifiée appelée SignalVu-PC. SignalVu-PC permet de corréler de façon détaillée des événements entre les domaines et les voies. Sa configuration multifenêtre et multivoie permet un contrôle indépendant des paramètres pour chaque voie et d’obtenir des vues synchronisées dans différents domaines. Avec SignalVu-PC, l’oscilloscope DPO Série 7 devient un outil indispensable pour valider les systèmes de transmission sans fil et les radars modernes lorsque des informations corrélées sur plusieurs signaux sont nécessaires.

Les oscilloscopes de dernière génération de Tektronix intègrent l’interface utilisateur primée TekScope®. L’oscilloscope DPO Série 7, qui est doté en standard d’un système d’exploitation embarqué (Windows 10 en option), adopte cette interface, déployée par Tektronix afin de réduire les temps d’apprentissage et mettre à disposition des outils intuitifs pour les opérations de débogage et de validation des systèmes. L’interface utilisateur intuitive simplifie les tâches de configuration et de mesures complexes. De nos jours, les ingénieurs collaborent davantage entre eux. Ils bénéficieront de la simplification du processus de création de scripts et d’automatisation des tests. L’oscilloscope DPO Série 7 prend en charge toutes les bibliothèques Python conçues pour simplifier et standardiser l’interaction des développeurs avec leurs équipements de laboratoire. Il s’agit d’un atout essentiel pour un outil de mesure fonctionnant souvent 24h/24 et 7j/7, que ce soit pour exécuter de longues sessions de tests de conformité ou numériser des phénomènes physiques sur une longue période.










